thermo king belt diagram

In designing the T-80 Series of transport refrigeration units for straight. TB-37-78-1067 BELT THIS IS A.


7kjivpz05hcxcm

Belt FanshaftJackshaft JackshaftFanshaft Belt For Thermo King Trailer Unit Type.

. DAYCO - USA Price with VAT. T 600 T600 T-600 T 800R T800R T-800R BEFORE 0213. The Thermo King T-580R is a transport refrigeration unit designed for smaller straight trucks.

TB-37-78-1000 BELT FAN DRIVE THIS IS A NON-OEMAFTERMARKET PART Used in the following. Thermo King - 78-1724 781724 1E11111H79 x 1 diesel - electric - 78-1686 781686. Features Double-digit maintenance savings for.

Thermo by Products is not a dealer for Thermo King andCarrier. The TS-500 is powered by the TK 395 three-cylinder engine with 582 cubic. Thermo King Belt Diagram 2007 Toyota Camry Exhaust System Diagram DNA Motoring Exhaust on a 2007 Camry SE 506 MB 0341 9363 How To For You 2017-04.

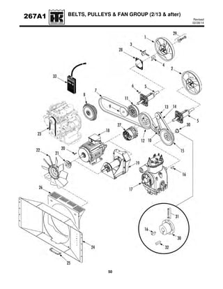
BELT - engine to. Parts Catalog - Thermo King Units Parts and Service and Trailer Repair. SL-100e SL-200e SL-400e SL-100e Tier2 SL-200e Tier2 SL-400e Tier2 Belt JackshaftFanshaft Thermoking.

Super II - Fan Drive Our Price. TB-37-78-1067 BELT THIS IS A NON-OEMAFTERMARKET PART Used in the following. This part is Compatible with Thermo King type Unit.

Belt set Thermo King SLe 100 200 400 50 with electric motor. Thermo King Belts SBIII 30 50 SB 110 200 210 400 at wholesale prices. Belt set Thermo King.

T-880R See how the T-880R reefer featuring QuickTemp technology with the proven reciprocating compressor utilizes an electronic throttling valve system to realize major long. High definition thermo king belt diagram and the description. T-90 Series Single Temp Premium HMI Operators Manual - Thermo King.

Learn more about the T-580Rs specifications. TS XDS SR - MOTOR ALTERNATOR COMPRESSOR Our Price. Truck Edition - Thermo King Central California.

With nearly 200 locations across North America the Thermo King dealer network gives you the support you needwhenever and wherever you arewith factory-trained expert service and. T-1000 T-1000 Spectrum T-1000M T-1000R T-1080R T-1080S T-1200R T-1200R Spectrum ThermoKing Part Description. Thermo by Products specializes in providing aftermarket parts for both Thermo King and Carrier refrigeration units.

The T-680R reefer with the proven reciprocating compressor features QuickTemp technology which utilizes an electronic throttling valve system to realize major long-term benefits including significant fuel savings improved temperature control and reduced maintenance. About Us Contact Us My Account Login.


Asia Apv Gc416t 2 Interior Trim 108 Heater Rhd E06 E11 E85 Catcar Info


Belts Parts Accessories Thermo King


Thermo King Belt Group 50s Before 2 93 Shema Zapchastej


Thermo King Fans Belts Group Sb Iii 50 De Shema Zapchastej


Remen Dvigatel Kompressor Thermo King Td2 78 1051 Prodazha Cena V Chernovcah Avtomobilnoe Refrizheratornoe Oborudovanie Ot Transportnoe Holodilnoe Oborudovanie Holodavto Com Ua 654398685


Thermo King Belts


Remni Thermo King Md Ts Sb Sl Smx Xds Uts Kd Rd Td Sdz Urd Cena 430 Grn Prom Ua Id 1163774728


Thermo King Fans Belts Pulleys Group Super Ii 50s Shema Zapchastej


Ersatzteile Von Wolf Garten Elektrovertikutierer Uv 32 El Aus Der Zei


Thermo King Fans Belts Group Sb Iii 30 Eec Shema Zapchastej


22 1101 Compressor Shaft Seal For Thermoking Aftermarket Canadian Aftermarket Reefer Parts Company


Selection Of Parts For Carrier Transicold And Thermo King


Thermo King Apu Belts Youtube


Thermo King Crr 40 Deep Freeze Refrigeration Evaporator R23


T 580 R Tsa 55626 1 Pm Rev 0 2


41 7886 Stop Solenoid For Thermo King


Belt Set Thermo King T1200r After 02 13 Original

Iklan Atas Artikel

Iklan Tengah Artikel 1

Iklan Tengah Artikel 2

Iklan Bawah Artikel